本申请实施例提供了一种变频制氧机控制系统,其特征在于:包括用于对空气进行压缩的变频制氧压缩机控制模块、利用压缩的控制制氧的制氧系统模块、电源管理模块、与电源连接的电源适配器模块和电池;所述电源管理模块,用于选择由连接电源的电源适配器供电还是由电池供电。本申请实施例提高了制氧机的智能控制能力,实现了变频压缩机控制功能。










| 附图说明 |
| 为了更清楚地说明本实用新型实施例,下面将对实施例或现有技术描述中所需要使用的附图做简单介绍,显而易见地,下面描述中的附图仅仅是本实用新型的一些实施例,对于本领域普通技术人员来讲,在不付出创造性劳动的前提下,还可以根据这些附图获得其他的附图。 |
| 图1为本实用新型实施例的制氧机的结构框图; |
| 图2为本实用新型实施例的变频驱动电路原理图; |
| 图3为本实用新型实施例的U相的电压检测模块电路原理图; |
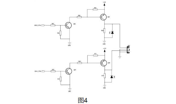
| 图4为本实用新型实施例的呼吸脉冲控制模块电路原理图; |
| 图5为本实用新型实施例的电路原理框图; |
| 图6为本实用新型实施例的充电控制器的接口示意图; |
| 图7为本实用新型实施例的适配器输入电流限制电路的电路原理图; |
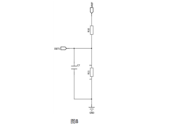
| 图8为本实用新型实施例的电池充电电流限制电路的电路原理图; |
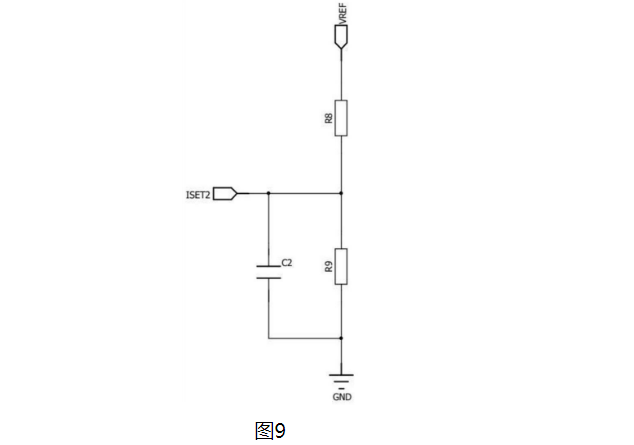
| 图9为本实用新型实施例的电池充电预处理电流限制电路的电路原理图; |
| 图10为本实用新型实施例的电源管理电路的部分原理图。 |