本申请实施例提供了一种电源充放电管理系统,其特征在于:包括电源适配器、电池和电源管理电路,电源适配器与外部电源连接,电源管理电路用于在电池电量满足负载设备的用电需求时,选择电池为其供电,在电池电量不满足负载设备的用电需求时,切换至电源适配器的第一输出端,由外部电源供电,电源管理电路还与电源适配器的第二输出端连接,由与电源适配器连接的外部电源与电源管理电路供电,在电池电量不足时,通过电源管理电路为电池充电。本实施例的负载所需的用电电压VCC可以通过电源管理电路由电池或适配器供电,并且当电池电压下降到充电阈值(VREF)以下时,可通过适配器为电池充电,电路结构简单,提高了电源管理的效率。






| 附图说明 |
| 为了更清楚地说明本实用新型实施例,下面将对实施例或现有技术描述中所需要使用的附图做简单介绍,显而易见地,下面描述中的附图仅仅是本实用新型的一些实施例,对于本领域普通技术人员来讲,在不付出创造性劳动的前提下,还可以根据这些附图获得其他的附图。 |
| 图1为本实用新型实施例的电路原理框图; |
| 图2为本实用新型实施例的充电控制器的接口示意图; |
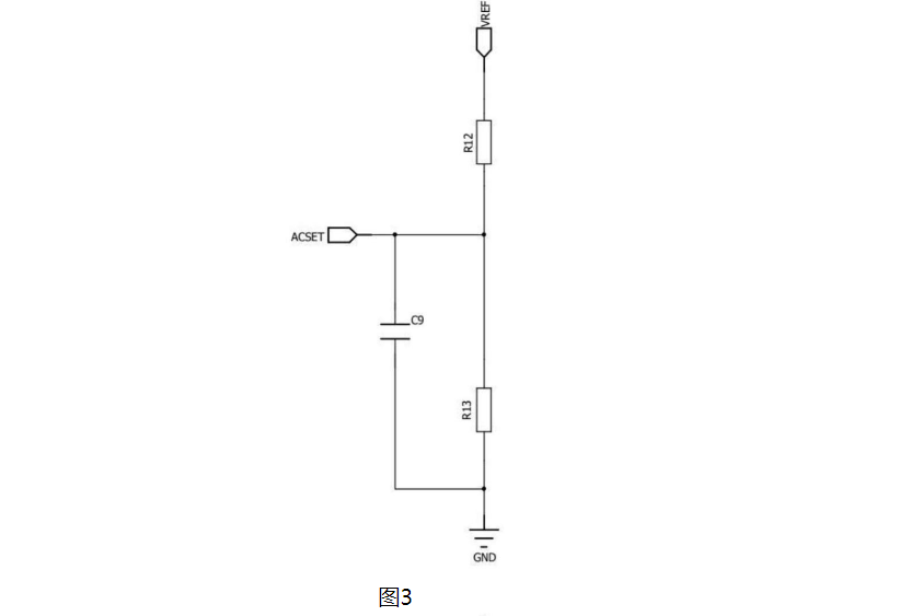
| 图3为本实用新型实施例的适配器输入电流限制电路的电路原理图; |
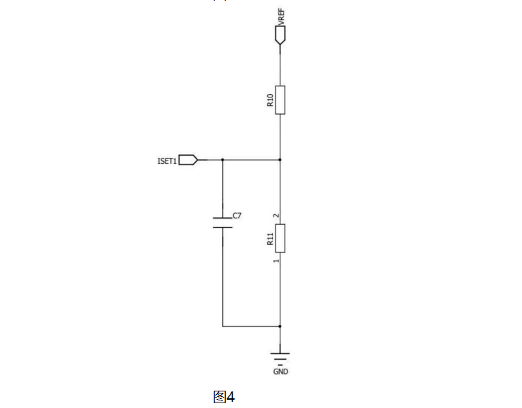
| 图4为本实用新型实施例的电池充电电流限制电路的电路原理图; |
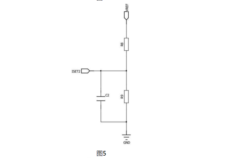
| 图5为本实用新型实施例的电池充电预处理电流限制电路的电路原理图; |
| 图6为本实用新型实施例的电源管理电路的部分原理图。 |
| 以下结合附图对本实用新型的具体实施方式作进一步详细地说明。 |