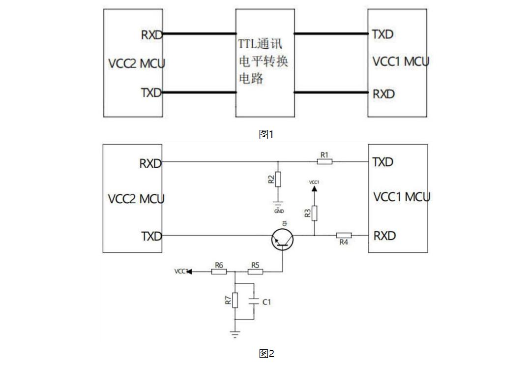
本实用新型公开一种TTL通讯电平转换电路,用于实现第一MCU与第二MCU之间的通信,且第一MCU的工作电源为VCC1,第二MCU的工作电源为VCC2;TTL通讯电平转换电路包括电阻R1、电阻R2、电阻R3、电阻R4、电阻R6、电阻R7、三极管Q1;电阻R1一端连接第一MCU的TXD端,另一端经电阻R2接地,且电阻R1和电阻R2彼此的节点连接第二MCU的RXD端;电阻R3一端连接VCC1,另一端连接电阻R4的一端及三极管Q1的集电极;三极管Q1的发射极连接第二MCU的TXD端,电阻R4的另一端连接第一MCU的RXD端;电阻R6一端连接VCC1,另一端经电阻R7接地,且电阻R6和电阻R7彼此的节点连接三极管Q1的基极。本实用新型结构简单、转换准确性高,采用较低的成本可以实现电平转换的目的,同时增加了电路的稳定性。

| 附图说明 |
| 图1为本实用新型实施例提供的TTL通讯电平转换电路应用场景的示意图。 |
| 图2为本实用新型实施例提供的TTL通讯电平转换电路的电路原理图。 |